Передний упор вагона УП1К-1, УП3-2

Собственный парк оборудования.

Передний упор вагона УП1К-1, УП3-2 по чертежам заказчика

Передний упор вагона – это важный элемент железнодорожного подвижного состава, передающий продольные усилия от автосцепки к хребтовой балке рамы. Он обеспечивает равномерное распределение нагрузки, защищает конструкцию от деформаций и продлевает срок службы вагонов. Компания ТехСмарт выпускает передние упоры моделей УП1К-1, УП3-2 и другие, строго соответствующие требованиям ГОСТ 34710-2021.

Производство передних упоров включает механическую обработку на современных станках и контроль качества на каждом этапе. Наши изделия устойчивы к механическим нагрузкам и коррозии, что гарантирует их долговечность. Мы предлагаем изготовление упоров по стандартным параметрам и индивидуальным чертежам, учитывая требования заказчиков.

Закажите передний упор вагона в ТехСмарт и получите сертифицированную продукцию с гарантией качества. Мы обеспечиваем оперативную доставку по России, индивидуальный подход и консультации на всех этапах сотрудничества. Свяжитесь с нами, чтобы рассчитать стоимость и оформить заказ!
Передний упор вагона УП1К-1, УП3-2
Преимущества работы с нами
Большой парк станков
Готовность к экспериментам
Крупное производство
География поставок
Собственное КБ
Удобная доставка
Мы предлагаем полный цикл изготовления изделий любой степени сложности. Наше производство оснащено современным многофункциональным оборудованием с использованием передовых технологий, включая системы ЧПУ.
Мы готовы взяться за выполнение проектов любого уровня сложности. Наш опыт и ресурсы позволяют решать даже самые нестандартные задачи.
Мы обеспечиваем поставки нашей продукции по всей территории России, а также в Казахстан и Белоруссию.
Мы работаем с ведущими транспортными компаниями, что позволяет нам предлагать гибкие и выгодные логистические решения.
Наши производственные возможности обеспечивают выполнение заказов любого масштаба — от небольших партий до крупных проектов.
Наши инженеры-конструкторы разрабатывают чертежи и техническую документацию для будущих изделий, а также обеспечивают технический контроль на всех этапах производства.

Чертежи упоров передних по ГОСТ

Мы предоставляем полный пакет документации, включая чертежи передних упоров, выполненные в соответствии с ГОСТ 34710-2021 и ГОСТ Р 52916-2008. Это гарантирует точность изготовления и соответствие всем нормативам.
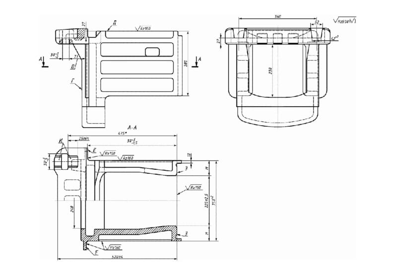
Упоры передние УП1К-1, УП1К-2
Рисунок 1 - Упоры передние УП1К-1, УП1К-2
Упоры передние УП1К-1, УП1К-2
Рисунок 2 - Упор передний УП1-1
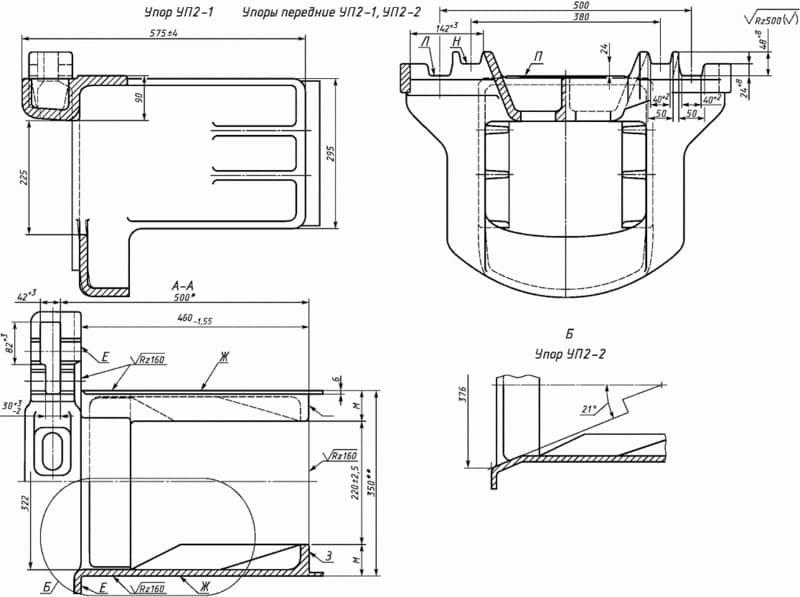
Упоры передние УП2-1, УП2-2
Рисунок 3 - Упоры передние УП2-1, УП2-2
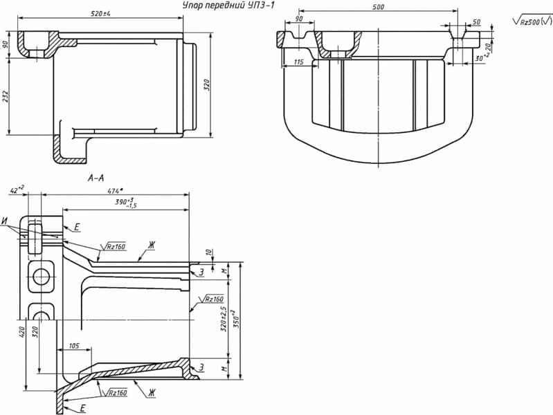
Упор передний УП3-1
Рисунок 4 - Упор передний УП3-1
Упор вагона передний УП1К-1, УП3-2
В ассортименте ТехСмарт представлены:
  • УП1К-1 — универсальный упор для большинства грузовых вагонов.
  • УП3-2 — усиленная модель для работы с увеличенными продольными усилиями.
  • Упоры по индивидуальным проектам — разработка и производство деталей на заказ.
Каждый упор производится с учетом стандартов безопасности и проверяется на соответствие техническим требованиям.

Ассортимент передних упоров для вагонов

Таблица 2. Виды производимых передних упоров.
Наименование подвижного состава Условное обозначение
Грузовые вагоны, оборудуемые передними упорами с шириной окна розетки 246 мм, не менее УП1К-1
Грузовые вагоны, оборудуемые передними упорами с шириной окна розетки 246 мм, не менее УП1-1
Грузовые вагоны, оборудуемые передними упорами с шириной окна розетки 282 мм, не менее УП1К-2
Пассажирские вагоны УП2-1
Скоростные пассажирские вагоны УП2-2
Вагоны специального назначения УП3-1
Вагоны специального назначения УП3-2
Упор вагона передний УП1К-1, УП3-2
В ассортименте ТехСмарт представлены:
  • УП1К-1 — универсальный упор для большинства грузовых вагонов.
  • УП3-2 — усиленная модель для работы с увеличенными продольными усилиями.
  • Упоры по индивидуальным проектам — разработка и производство деталей на заказ.
Каждый упор производится с учетом стандартов безопасности и проверяется на соответствие техническим требованиям.

Ассортимент передних упоров для вагонов

Таблица 2. Виды производимых передних упоров.
Наименование подвижного состава Условное обозначение
Грузовые вагоны, оборудуемые передними упорами с шириной окна розетки 246 мм, не менее УП1К-1
Грузовые вагоны, оборудуемые передними упорами с шириной окна розетки 246 мм, не менее УП1-1
Грузовые вагоны, оборудуемые передними упорами с шириной окна розетки 282 мм, не менее УП1К-2
Пассажирские вагоны УП2-1
Скоростные пассажирские вагоны УП2-2
Вагоны специального назначения УП3-1
Вагоны специального назначения УП3-2

Доставка готовой продукции в регионы России

Доставляем продукцию в любую точку России транспортными компаниями. Возможна частичная отгрузка готовой продукции.
Доставка по всей России

Рассчитать стоимость передних упоров вагона УП1К-1, УП3-2

Менеджер свяжется с вами, уточнит детали и сориентирует по дальнейшим действиям

Часто задаваемые вопросы

Это деталь, передающая продольные усилия от автосцепного устройства к раме кузова вагона.